KAVAN hřídel C3548

nem elérhető
Ügyfélvonal 9-18 óráig: +420 774 590 258 | Segítségre van szüksége?
Ár az e-shopban, tartalmazza az ÁFA-t: | 42,30 € |
Raktáron
Hétfő 06.10. a Nademlejnská központi üzletben lehet kapni Kedd 07.10. lehet veled |
|
|
Vétel |
Vétel | |
35 éve vagyunk a piacon = biztonságos vásárlás és professzionális szolgáltatások |
Nem tudja, hogyan válasszon? Néhány paraméter nem világos számodra? Írja meg nekünk kérdését és mi felvesszük Önnel a kapcsolatot a válaszokkal.
Küldj egy érdeklődéstSzénkefe nélküli villanymotor forgó burkolattal repülőgépmodellekhez: vitorlázó repülőgéphez 2700 g-ig, kiképző repülőgéphez 2600 g-ig, akrobatikus repülőgéphez 2300 g-ig, 3D-hez 1500 g-ig. Tápegység: Lixx 3S–5S, kimenő tengely átmérője 4,0 mm.
A Kavan C motorok nagy teljesítményű, szénkefe nélküli, 14 pólusú villanymotorok forgó héjjal (kifutóművel), kiváló elektromos tulajdonságokkal, kifinomult kialakítással és kiváló gyártási minőséggel. Nagyon jó választást jelentenek szabadidős és sportmodellek meghajtásához. Jó hatásfok és kedvező ár. Ezek alacsony fordulatszámú, nagy nyomatékú motorok, amelyek nagy átmérőjű és állásszögű légcsavarokat is képesek kezelni sebességváltó nélkül.
Motorjelölő rendszer (CxxYY-zzzz):
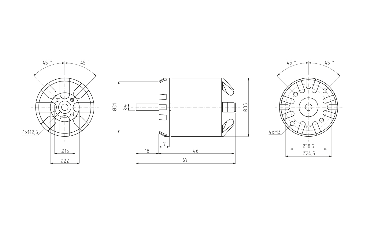
Motorfelfüggesztés
A motort elölre és hátulra is fel lehet szerelni. Az elülső, motor előlapja mögé történő szereléshez négy M3-as csavart kell használni, amelyek 4–5 mm-re benyúlnak a motor előlapjába. A motor előlapján lévő rögzítőcsavar-furatpárok 180°-os távolságra vannak egymástól, 25 és 19 mm átmérőjű körökön. A motor válaszfalának 5 mm-es repülőgép-rétegelt lemezből kell készülnie. A motorhoz tartozik egy hátsó rögzítőkészlet (rögzítőkereszt, légcsavar-tartó a hátsó felszereléshez).
Ajánlott propellerek:
A csomag tartalma
A csomag tartalmaz egy motort kábelekkel és forrasztott 3,5 mm-es aranyozott csatlakozókkal, egy hátsó rögzítőkészletet és egy használati utasítást.
LiXX cellák tápellátása | 3–5 |
Fordulatszám voltonként [rpm/V] | 800 |
Max. teljesítmény (30 s/5S LiPo) [W] | 660 |
Terhelés nélküli áram (3S) [A] | 2.2 |
Max. csúcsáram (30 s) [A] | 48 |
Átmérő [mm] | 35 |
Hossz [mm] | 48 |
Tengelyátmérő [mm] | 4 |
Súly [g] | 170 |
Pólusok száma | 14 |
Időzítés [°] | 15–25 |
Szabályozó [A] | 50–60 |
Vitorlázó repülőgép súlyhatára [g] | 2700 |
Edző súlya [g] | 2600 |
Akrobat súlyig [g] | 2300 |
3D-ből súlyba [g] | 1500 |
2 tételeket
Ez a weboldal cookie-kat használ
Szolgáltatásaink minőségének javítása érdekében ezen az oldalon cookie-kat használunk. További információért keresse fel a Webhely használati feltételeit .